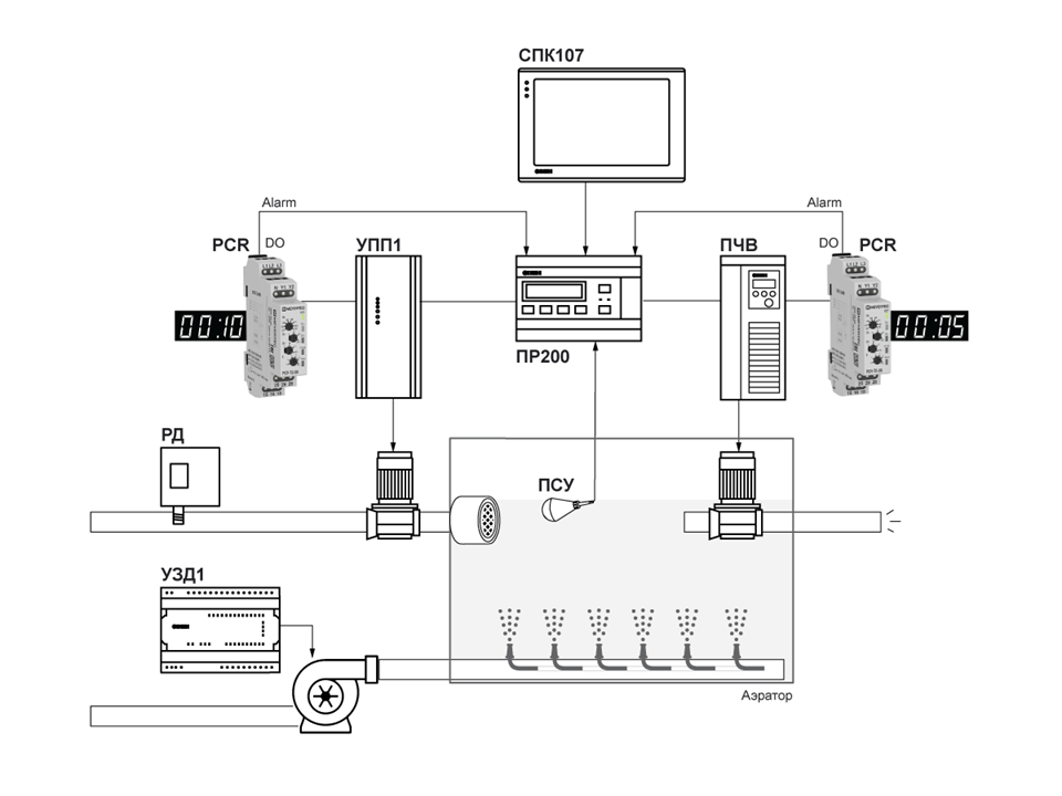
Модульное реле контроля фаз MEYERTEC PCR
Много
Нашли дешевле?
PCR-T
Х
-
Х
А
Цена действительна только для интернет-магазина и может отличаться от цен в розничных магазинах
Описание
Модульное реле контроля фаз MEYERTEC PCR
Модульное реле контроля фаз MEYERTEC PCR предназначено для надёжного контроля параметров трёхфазной сети до 1000 В.
Устройство отслеживает обрыв, перекос и чередование фаз, наличие нейтрали, а также уровни перенапряжения и провала напряжения с заданной выдержкой времени срабатывания. При выявлении отклонений реле автоматически отключает нагрузку, предотвращая повреждение оборудования.
Применяется для защиты трехфазных электродвигателей и другого промышленного электрооборудования, снижает риски аварий и сокращает расходы на ремонт.
Универсальное подключение
Одна модель реле подходит для 3- и 4-проводных сетей, упрощая подбор и монтаж.
Отдельная индикация аварий
Каждый тип аварии отображается отдельным светодиодом - для быстрой диагностики.
Выдержка времени срабатывания
Защищает от кратковременных помех и ложных срабатываний за счёт заданной задержки.
Контроль обрыва нейтрали
Обеспечивает дополнительную защиту при обрыве нулевого проводника.
Компактный корпус
Экономит место в шкафу управления - удобно для модернизации и нового монтажа.
| PCR-T1-5A | PCR-T2-8A |
|---|
| Выходные параметры |
|---|
| Количество (тип) контактных групп реле | 1 (SPDT) | 2 (SPDT) |
| Нагрузочная способность выходных контактов реле | 5 А / ~240 В | 8 А / ~240 В |
| Входные параметры |
|---|
|
Номинальные значения линейных напряжений трехфазной сети (Uн)* |
220, 230, 240, 380, 400, 415, 440, 459 В | 220, 230, 240, 380, 400, 415, 440, 459 В |
| Диапазон фазных напряжений | 127...254 В | 127...254 В |
| Частота питающей сети | 47...63 Гц | 47...63 Гц |
| Потребляемая мощность, не более | 3 Вт | 3 Вт |
* Значение задается с помощью элемента управления на передней панели реле
| Диапазон установки порога включения защиты по перенапряжению (U>)* | 5...20 % Uн |
| Диапазон установки порога включения защиты по пониженному напряжению (U<)* | 5...20 % Uн |
| Пороговое значение срабатывания защиты по перекосу фаз | 10 % |
| Гистерезис | 10 В |
| Время включения после подачи питания, не более | 3 с |
| Время задержки включения защиты (Tвкл) по перенапряжению* | 0,5...10 с |
| Время задержки включения защиты (Tвкл) по пониженному напряжению* | 0,5...10 с |
| Время задержки включения защиты (Tвкл) по перекосу фаз* | 0,5...10 с |
|
Время задержки включения защиты (Tвкл) при обрыве фазы или нейтрали и неверной последовательности подключения фаз, не более |
0,5 с |
| Время задержки выключения защиты (Твыкл), не более | 3 с |
| Погрешность установки пороговых значений, не более | ±10 % от диапазона установки |
| Ошибка повторяемости, не более | 2 % |
* Значение задается с помощью элемента управления на передней панели реле
| Категория перенапряжения по ГОСТ IEC 61204-7 | III |
| Степень загрязнения по ГОСТ Р 50030.1 | 2 |
| Электрическая прочность изоляции между цепями питания и контактами реле | 2000 В |
| Рабочий диапазон температур окружающей среды | -20...+55 °С |
| Атмосферное давление | 84...106,7 кПа |
| Относительная влажность воздуха (при +25 °С и ниже без конденсации влаги) | не более 80 % |
| Срок эксплуатации | 10 лет |
| Срок гарантийного обслуживания | 2 года |
| Механический ресурс, не менее | 1×107 циклов |
| Электрический ресурс, не менее | 1×105 циклов |
| Максимальное сечение проводов, подключаемых к клеммам групп контактов SPDT | 2,0 мм2 / 14 AWG |
| Максимальное сечение проводов, подключаемых к клеммам L1, L2, L3, N, Y1, Y2 | 2,5 мм2 |
| Способ монтажа | DIN-рейка, 35 мм |
| Масса, не более | 75 г |
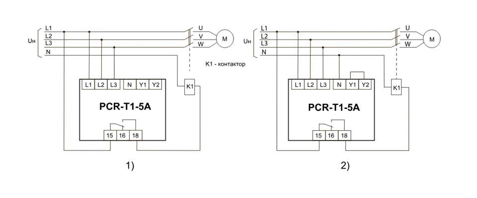
Схема подключения реле модификации PCR-T1-5A
1) ЗФ3П (3 фазы, 3 провода, 3-проводная схема подключения) - без контроля нейтрали (L1, L2, L3)2) 3Ф4П (3 фазы, 4 провода, 4-проводная схема подключения) - с контролем нейтрали (L1, L2, L3, N)
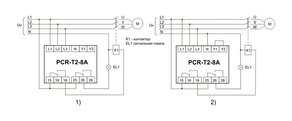
Схема подключения реле модификации PCR-T2-8A
1) ЗФ3П (3 фазы, 3 провода, 3-проводная схема подключения) - без контроля нейтрали (L1, L2, L3)2) 3Ф4П (3 фазы, 4 провода, 4-проводная схема подключения) - с контролем нейтрали (L1, L2, L3, N)
- Прибор
- Руководство по эксплуатации





