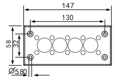
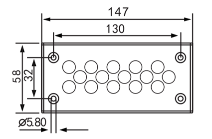
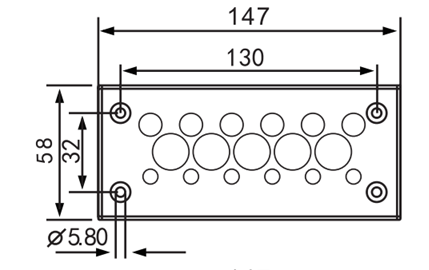
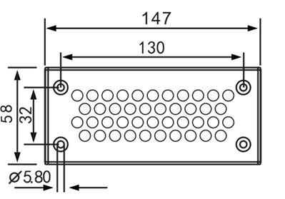
Пластина для ввода кабеля Meyertec
Много
Нашли дешевле?
MTC-DPZ24
X
Цена действительна только для интернет-магазина и может отличаться от цен в розничных магазинах
Описание
Пластина для ввода кабеля Meyertec
Предназначены для прокладки и герметизации большого количества кабелей и обеспечения защиты от пыли и влаги в местах ввода.
Преимущества
- Материалы, из которых сделан кабельный ввод, не подвержены коррозии и устойчивы к внешним воздействиям
- Простота в монтаже и использовании
- Экономия времени и места - скорость монтажа выше чем у стандартных сальников, экономия места составляет до 50%
- Степень защиты IP65
| Наименование | Значение |
|---|---|
| Материал | PA66 |
| Температура эксплуатации | от -40 до 90℃ |
| Класс огнезащиты | UL94-V0, самозатухающий |
| Степень защиты | IP65 |
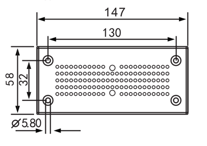
| Длина х Ширина х Высота | 147 х 58 х 14 мм |
| Размер выреза | 36 х 112 мм |











