ПЛК210-4G высокопроизводительный программируемый контроллер для территориально распределенных систем ОВЕН
Описание
ПЛК210-4G высокопроизводительный программируемый контроллер для территориально распределенных систем
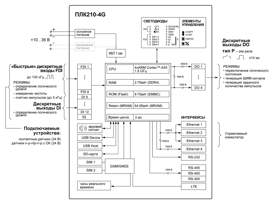
ОВЕН ПЛК210-4G - высокопроизводительный моноблочный контроллер со встроенным LTE-модемом, модулем GNSS (GPS/ГЛОНАСС) и тремя RS-485. Подходит для автоматизации территориально распределенных объектов, где необходимо использовать мобильную сеть, и выполняет роль коммуникационного контроллера для диспетчеризации.
Основным коммуникационным интерфейсом является Ethernet. У контроллера 4 порта Ethernet, 3 из которых объединены в управляемый коммутатор.
Прибор разработан на платформе ПЛК210, обладает широкими коммуникационными возможностями и повышенной надежностью.
ПЛК210-4G поддерживает более 10 промышленных и прикладных протоколов, что позволяет интегрировать его в любую систему автоматизации. Разработка управляющей логики и настройка обмена с другими устройствами осуществляется в среде разработки CODESYS V3.5 SP17 Patch 3.
Для увеличения входных и выходных сигналов рекомендуется использовать линейку модулей Мх210 с интерфейсом Ethernet. Модули расширения совместно с контроллером поддерживают кольцевую топологию, обеспечивая устойчивость системы к перегрузкам и уверенную работу с большим потоком данных.
LTE-модем на две SIM-карты
Подключение ПЛК к интернету в местах, где нет «проводной» сети. Возможность отправлять (например, в случае аварий) и получать SMS (например, можно отправить на ПЛК SMS с командой на изменение режима работы оборудования).
Модуль GNSS
ПЛК определяет свое географическое положение и синхронизирует системное время со спутниками.
3 × RS-485
Возможность отдельного подключения приборов (модулей ввода-вывода, тепло- и электросчетчиков, газоанализаторов, расходомеров и др.) для сбора данных и передачи их
в удаленную систему верхнего уровня.
- 2 SIM-карты устанавливаются в слот SIM1 и SIM2.
- Встроенный модем работает в режиме DSS (Dual SIM Shift), в котором в один момент времени может быть активна только одна SIM-карта.
- Поддерживаемые стандарты мобильной связи: 2G/3G/4G.
- Поддерживаемые стандарты 4G: GSM: 900/1800, WCDMA: B1/8, LTE-FDD: B1/3/5/7/8/20, LTE-TDD: B38/40/41.
- Поддерживается прием и отправка SMS.
- Индикация работы модема и модуля GNSS на корпусе прибора.
- Поддерживаемые стандарты GNSS: GPS / GLONASS / BD.
- Настройка встроенного модема производится в web-конфигураторе ПЛК или среде CODESYS.
- Поддержка промышленных протоколов Modbus RTU/ASCII/TCP, OPC UA (Server), MQTT (client/broker), SNMP (Manager/Agent).
- Поддержка протоколов тепло- и электросчетчиков, возможность реализации нестандартных протоколов.
- Поддержка прикладных протоколов NTP, FTP, FTPS, HTTP, HTTPS, SSH, SMTP/IMAP/POP3, OpenVPN, WireGuard.
- Возможность подключения к СУБД MySQL и MsSQL.
- Прямое подключение в OwenCloud.
Высокая производительность
Процессор 1800 МГц, память ROM 8 ГБ, RAM 2 ГБ, RETAIN 64 Кбайт (MRAM), операционная система Linux с RT-патчем.
Коммуникационные возможности
4 порта Ethernet для различных сетевых топологий и использования контроллера в качестве шлюза. Высокая скорость опроса и мультимастерность. 3 порта RS-485 для подключения приборов. LTE-модем на 2 SIM-карты.
Надежность
Двойной ввод питания для резервирования по питанию. Поддержка кольцевой топологии Ethernet при подключении модулей Мх210 (STP/RSTP). Встроенный Firewall для безопасности передачи данных.
Удобство монтажа и эксплуатации
Крепление на DIN-рейку или на стену. Съемные клеммники с невыпадающими винтами. Удобная система укладки кабеля. Легко заменяемая батарея CR2032, тумблер Старт/Стоп и разъем для MicroSD-карты под крышкой.
Эксплуатация в тяжелых условиях
Расширенный диапазон питающего напряжения =10…36 В.
Расширенный диапазон температуры окружающей среды -20…+55 °С.
Срок службы
Плановый срок службы составляет 10 лет.
| Параметр | Значение (свойства) |
|---|
| Питание |
|---|
| Количество портов питания | 2 (основной и резервный) |
| Напряжение питания | 10…36 В (номинальное 24 В) |
|
Напряжение перехода от основного источника питания к резервному | 6…9 В |
| Потребляемая мощность, не более | 16 Вт |
| Защита от переполюсовки | Есть |
| Вычислительные ресурсы |
|---|
| Центральный процессор | 4х Cortex-А55 1,8 ГГц |
| Объем флеш-памяти (тип памяти) | 8 ГБ (eMMC) |
| Объем оперативной памяти (тип памяти) | 2 ГБ (DDR4) |
| Объем Retain-памяти (тип памяти) | 64 Кбайт (MRAM) |
| Время выполнения пустого цикла (стабилизированное) | 3 мс |
| Операционная система | Linux |
| Интерфейсы связи |
|---|
| Ethernet 100 Base-T |
| Количество портов |
4 × Ethernet 10/100 Мбит/c (RJ45)
|
| Поддерживаемые промышленные протоколы* |
|
| Поддерживаемые прикладные протоколы |
|
| RS-485 |
|---|
| Количество портов | 3 |
| Поддерживаемые протоколы* |
|
| Скорость передачи | 1200, 2400, 4800, 9600, 19200, 38400, 57600, 115200 бит/с |
| Подтягивающие резисторы | Есть |
| RS-232 |
|---|
| Количество портов | 1 (сигналы Rx, Tx, GND) |
| Поддерживаемые протоколы* |
|
| Скорость передачи | 1200, 2400, 4800, 9600, 19200, 38400, 57600, 115200 бит/с |
| USB Device |
|---|
| Количество портов | 1 × micro USB (RNDIS) |
| Поддерживаемые протоколы |
|
| Встроенный модем |
|---|
| Поддерживаемые стандарты GNSS | GPS / GLONASS / BD |
| Частотный диапазон |
GPS: 1574.4 - 1576.44 МГц GLONASS: 1598 - 1606 МГц BD: 1559 - 1563 МГц |
| Поддерживаемые стандарты 4G |
GSM: 900/1800 WCDMA:B1/8 LTE-FDD: B1/3/5/7/8/20 LTE-TDD: B38/40/41 |
| Тип идентификационного модуля абонента | SIM (2 шт.) |
| Стандарт SIM-карты | Micro SIM |
| Тариф мобильной связи | Поддержка 4G, доступ в интернет |
| Антенна LTE | Тип: внешняя (SMA-M) |
| Антенна GPS | Тип: внешняя (SMA-M) |
| Скорость приема и передачи данных |
GPRS multi-slot class 12 EDGE multi-slot class 12 UMTS R99: 384 кбит/с (прием/передача) HSPA+: 5.76 Мбит/с (передача), 42 Мбит/с (прием) HSDPA/HSUPA: 2.2 Мбит/с (передача), 2.8 Мбит/с (прием) LTE-FDD CAT4: 150 Мбит/с (прием), 50 Мбит/с (передача) LTE-TDD CAT4: 130 Мбит/с (прием), 35 Мбит/с (передача) |
| Прием и отправка SMS | Поддерживается |
| Подключаемые накопители |
|---|
| USB Host |
| Количество разъёмов | 1 × USB type A |
| Поддерживаемые устройства | MSD / FTDI, USB 2.0 |
| SD card |
|---|
| Количество разъёмов | 1 |
| Поддерживаемые устройства | microSD |
| Максимальная ёмкость |
4 ГБ (microSD) 32 ГБ (microSDHC) 512 ГБ (microSDXC) |
| Часы реального времени |
|---|
| Погрешность хода, не более: | |
| - при температуре +25 °С | 5 секунды в сутки |
| - при температуре -20 и +55 °С | 20 секунд в сутки |
| Тип источника питания | Батарея CR2032 |
| Срок работы на одной батарее | 5 лет |
| Общие сведения |
|---|
| Габаритные размеры | (105×125×84)±2 мм |
| Масса, не более | 1,2 кг |
| Степень защиты корпуса по ГОСТ 14254-96 | IP20 |
| Индикация на передней панели | Светодиодная |
| Встроенное оборудование | Источник звукового сигнала |
| Двухпозиционный тумблер СТАРТ / СТОП | |
| Кнопка СБРОС | |
| Сервисная кнопка | |
| Средняя наработка на отказ** | 100 000 ч |
| Средний срок службы | 10 лет |
|
* Поддерживается реализация нестандартных протоколов с помощью системных библиотек. ** Кроме электромеханических переключателей и элемента питания часов реального времени. | |
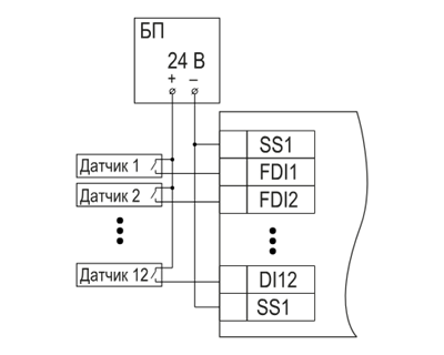
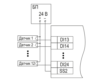
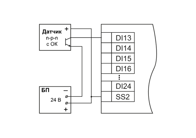
| Дискретные входы (DI и FDI) |
|---|
| Дискретные входы (DI) | Быстрые дискретные входы (FDI) | |
| Режимы работы | - определение логического уровня |
- определение логического уровня - измерение периода и длительности импульса - счетчик импульсов |
| Тип входов по ГОСТ IEC 61131-2 | 1 | |
| Максимальный ток «логической единицы» | 5,5 мА | |
| Максимальный ток «логического нуля» | 1,3 мА | |
| Напряжение «логической единицы» | 9…30 В | |
| Напряжение «логического нуля» | 0…5,5 В | |
| Гистерезис выключения «логической единицы», не менее | 0,5 В | |
| Подключаемые входные устройства |
контактные датчики, трехпроводные датчики, имеющие на выходе транзистор n-p-n или p-n-p-типа с открытым коллектором |
контактные датчики, трехпроводные датчики, имеющие на выходе транзистор n-p-n или p-n-p-типа с открытым коллектором |
|
Минимальная длительность импульса, воспринимаемая входом | 25 мс* | 5 мкс |
| Максимальная частота входного сигнала | 20 Гц* |
- для режима измерения периода и длительности импульсов: 100 кГц - для режима счетчика импульсов: 5 кГц |
| * Определяется длительностью цикла ПЛК. | ||
| Дискретные выходы (DO) типа электромагнитное реле |
|---|
| Тип контакта | Нормально-разомкнутый контакт |
| Режимы работы |
- переключение логического состояния - генерация ШИМ сигнала (DO1-DO4) - генерация заданного количества импульсов (DO1-DO4) |
| Максимальный ток коммутации |
- 5 А (при переменном напряжении не более 250 В (СКЗ), 50 Гц, резистивная нагрузка - 3 А (при постоянном напряжении не более 30 В, резистивная нагрузка) |
| Максимальное напряжение на контакты реле |
- 264 В (СКЗ) переменного напряжения - 30 В постоянного напряжения |
| Минимальный ток коммутации | 10 мА |
| Категория применения по ГОСТ IEC 60947-5-1:2014 | АС-15, С300* |
| Механический ресурс реле, не менее | 5 000 000 переключений |
| Электрический ресурс реле, не менее |
- 35 000 переключений при 3 А, 30 В постоянного напряжения - 50 000 переключений при 5 А, 250 В (СКЗ) переменного напряжения - 50 000 переключений при категории применения С300* |
|
Время переключения контактов реле из состояния «лог. 0» в «лог. 1» или обратно, не более | 10 мс |
| Параметры ШИМ |
|---|
| Максимальная частота | 1 Гц (при коэффициенте заполнения 0,05) |
| Минимальная длительность импульса ШИМ | 50 мс |
| * Управление электромагнитами переменным напряжением до 300 В (СКЗ) и полной мощностью до 180 ВА | |
|
| Порты Ethernet 1, Ethernet 2 и Ethernet 3 объединены в мостовое подключение к локальной сети (LAN). Порт Ethernet 4 используется как отдельный изолированный сетевой интерфейс для подключения к глобальной сети (WAN), защищённый межсетевым экраном. Данная схема позволяет разделить сеть на две зоны, обеспечивая одно пространство IP-адресов для портов Ethernet 1-3. |
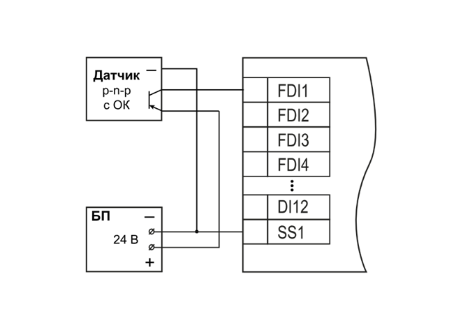
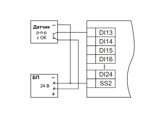
* Для подключения транзисторов типа n-p-n к быстрым дискретным входам FDI1–FDI12 следует использовать отдельный источник питания для входов. Клемма SS1 объединена со входом питания.
| Наименование | Кол-во |
|---|---|
| Контроллер ПЛК210 (исполнение в соответствии с заказом) | 1 шт. |
| Кабель MicroUSB-USB 1.8 м | 1 шт. |
| Кабель RJ45-RJ45 0.15 м | 1 шт. |
| Комплект заглушек для портов | 1 |
| Клемма 2EGT-5.0-02P-14 | 2 шт. |
| Компактная штыревая антенна АНТ-1 | 2 шт. |
| Паспорт и Гарантийный талон | 1 экз. |
| Краткое руководство | 1 экз. |
| Быстрый старт | 1 экз. |












