Драйверы шаговых двигателей MEYERTEC MST
Описание
Драйверы шаговых двигателей MEYERTEC MST
Драйверы серии MST предназначены для управления шаговыми двигателями. Драйвер получает сигналы от контроллера и генерирует электрические импульсы для управления обмотками двигателя, обеспечивая его движение с заданным шагом. При этом драйвер регулирует ток для оптимальной работы, предотвращая перегрев и минимизируя потери.
Преимущества
- Наличие интерфейса RS-485.
- Возможность управления двухфазными и трехфазными шаговыми двигателями.
- Наличие трех режимов управления:
- от внешних импульсов;
- посредством внешних дискретных сигналов (режим IO);
- по интерфейсу RS-485 (Modbus RTU).
- Встроенный S-образный профиль кривой разгона/торможения.
- Возможность настройки параметров разгона и параметров торможения отдельно.
- Конфигурация и настройка режимов работы прибора и параметров управления с помощью программного конфигуратора.
- Возможность управления шаговым двигателем с обратной связью (серворежим).
Примеры применений
Системы этикетировки и упаковки
Используются в конвейерных системах для точного позиционирования этикетки или самой продукции для упаковки.Преимущества:
- не требуют обратной связи для контроля положения, что упрощает систему и повышает ее надежность
- высокая точность позиционирования исполнительных механизмов
Автоматизированные системы подачи
Используются в конвейерах или системах подачи деталей, где требуется точное перемещение на фиксированные расстояния.Преимущества:
- Надежность и простота управления движением на небольшие расстояния.
- Экономичность для задач с низкими требованиями к скорости.
Станки с ЧПУ (гравировальные и фрезерные)
Шаговые приводы применяются для перемещения инструмента или заготовки с высокой точностью.Преимущества:
- Высокая точность для задач, где не требуется высокая скорость.
- Отсутствие необходимости в датчиках положения, что упрощает систему.
Роботизированные манипуляторы для сборки
В роботах для сборки мелких деталей шаговые приводы обеспечивают точное позиционирование конечного эффектора.Преимущества:
- Высокая точность позиционирования в малых областях.
- Простота интеграции в системы с фиксированными траекториями движения.
| Параметр | MST-24 | MST-34 |
|---|
| Электропитание |
|---|
| Напряжение питания Uпит (клеммы V+, V-) | постоянного тока | 18...50 В | 18...110 В |
| переменного тока (50 Гц) | - | 18...80 В |
| Выходные характеристики |
|---|
|
Максимальный ток фазы двигателя (амплитудное значение) на клеммах A+, A-, B+, B- |
6 А | 8 А |
|
Нагрузочная способность выхода для питания внешнего энкодера (клеммы E5V, EGND) |
5 В, 150 мА | |
| Дискретные входы |
|---|
|
Дискретные входы для приема дифференциального сигнала (клеммы IN1, IN2) |
Максимальная частота принимаемых внешних импульсов | 200 кГц | |
| Количество | 2 | ||
| Тип | изолированные оптопары | ||
|
Дискретные входы с общим проводом (клеммы IN3...IN6) |
Количество | 4 | |
| Тип | оптопары с общим проводом | ||
| Максимальное входное напряжение постоянного тока | 24 В | ||
| Аналоговые входы |
|---|
|
Аналоговый вход для подключения внешнего потенциометра |
Количество | - | 1 |
| Номинальное сопротивление подключаемого потенциометра | 10...100 кОм |
| Дискретные выходы |
|---|
| Количество | 2 |
| Максимально допустимый постоянный ток | 150 мА |
| Максимально допустимое напряжение постоянного тока | 30 В |
| Интерфейс RS-485 |
|---|
| Протокол | Modbus (RTU) |
| Скорость обмена | 9600, 19200, 38400, 115200 бит/с |
| Встроенный отключаемый согласующий резистор шины | 120 Ом |
| Корпус |
|---|
| Степень защиты корпуса | IP20 |
|
Схема подключения к прибору электропитания и двухфазного шагового двигателя |
Схема подключения к прибору электропитания и трехфазного шагового двигателя |
Схема подключения к дискретным входам IN1, IN2 для приема дифференциальных сигналов внешних импульсов |
|
Схема подключения квадратурного энкодера к дискретным входам IN1, IN2 |
Схема подключения к дискретным входам IN1, IN2 несимметричных сигналов напряжением 5 В |
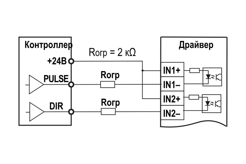
Схема подключения к дискретным входам IN1, IN2 несимметричных сигналов напряжением 24 В с использованием ограничительного резистора Rогр |
|
Схема подключения сигналов релейных выходов к дискретным входам IN3...IN6 |
Схема подключения выходных сигналов типа открытый коллектор (n-p-n) к дискретным входам IN3...IN6 |
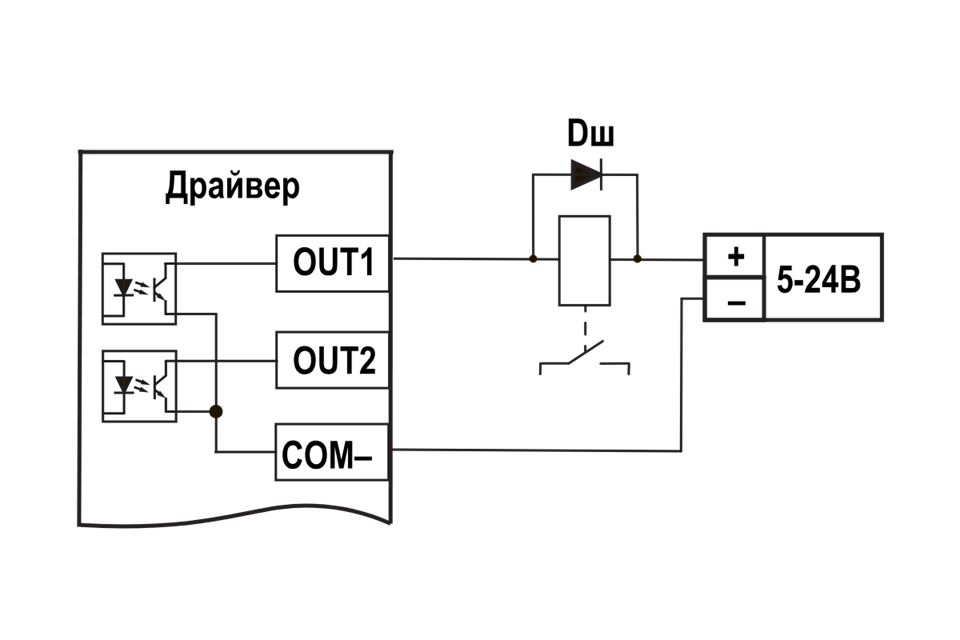
Схема подключения релейной нагрузки к дискретным выходам OUT1 и OUT2 |
- Драйвер - 1 шт.
- Клеммник (ответная часть) - 2 шт.
- Кабель сигнальный - 1 шт.
- Краткое руководство - 1 шт.













