Монтажный фланец KVFNC по стандарту ISO 15552
Много
Нашли дешевле?
KVFNC -
X
Цена действительна только для интернет-магазина и может отличаться от цен в розничных магазинах
Описание
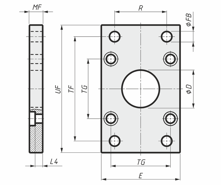
Монтажный фланец KVFNC по стандарту ISO 15552
Предназначены для монтажа цилиндров, изготовленных по стандарту ISO 15552 и ISO 21287
Совместимы с пневмоцилиндрами KIPVALVE серий: KVNG; KVNC; KVBC; KVDN; KVTDN.
| для, ⌀ мм | ⌀ D мм | E мм | ⌀ FB мм | L4 мм | MF мм | R мм | TF мм | TG мм | UF мм | Обозначение |
|---|---|---|---|---|---|---|---|---|---|---|
| 32 | 30.5 | 47 | 7 | 4 | 10 | 32 | 64 | 32.5 | 80 | KVFNC-32 |
| 40 | 35.5 | 53 | 9 | 4 | 10 | 36 | 72 | 38 | 90 | KVFNC-40 |
| 50 | 40.5 | 65 | 9 | 4 | 12 | 45 | 90 | 46.5 | 110 | KVFNC-50 |
| 63 | 45.5 | 75 | 9 | 6 | 12 | 50 | 100 | 56.5 | 125 | KVFNC-63 |
| 80 | 45.5 | 95 | 12.5 | 6 | 16 | 63 | 126 | 72 | 154 | KVFNC-80 |
| 100 | 55.5 | 115 | 14.5 | 6 | 16 | 75 | 150 | 89 | 186 | KVFNC-100 |
| 125 | 60.5 | 140 | 16.5 | 8 | 20 | 90 | 180 | 110 | 224 | KVFNC-125 |
| 160 | 65.5 | 180 | 18.5 | 8 | 20 | 115 | 230 | 140 | 280 | KVFNC-160 |
| 200 | 75.5 | 220 | 24 | 12 | 25 | 135 | 270 | 175 | 320 | KVFNC-200 |
| 250 | 90 | 290 | 26 | 10.5 | 25 | 165 | 330 | 220 | 395 | KVFNC-250 |




